依据《中华人民共和国政府信息公开条例》(以下简称《政府信息公开条例》)第五十条规定,编制本报告。
一、总体情况
2025年,区农业农村局严格遵循《中华人民共和国政府信息公开条例》(以下简称《条例》),紧密围绕区委、区政府中心工作和农业农村发展重点,坚持以公开为常态、不公开为例外,持续深化政府信息公开工作,切实保障人民群众的知情权、表达权和监督权。
(一)加强组织领导,健全工作机制
局领导高度重视政府信息公开工作,进一步完善由主要领导负总责、分管领导具体抓、办公室牵头协调、各业务科室按职责分工落实的工作机制,明确专人负责日常信息公开事务。确保责任层层压实,工作落到实处。
(二)深化主动公开,提升公开质效
在全面落实《条例》第二十条要求的基础上,结合农业农村领域特点,不断拓展主动公开内容的深度与广度。2025年,通过区政府门户网站共公开各类政府信息184条,其中,围绕乡村振兴等重点工作,公开相关信息74条,全面展现农业农村发展成效。扎实推进“双公示”工作,公开行政许可、行政处罚信息72条,增强行政权力运行透明度。强化政策发布与解读,全年发布政策性文件7篇,同步配发图解、解读材料,提升政策透明度和公众知晓率。突出抓好财政预决算、涉农补贴等社会关注度高的信息,全年主动公开相关信息9条,主动接受社会监督。
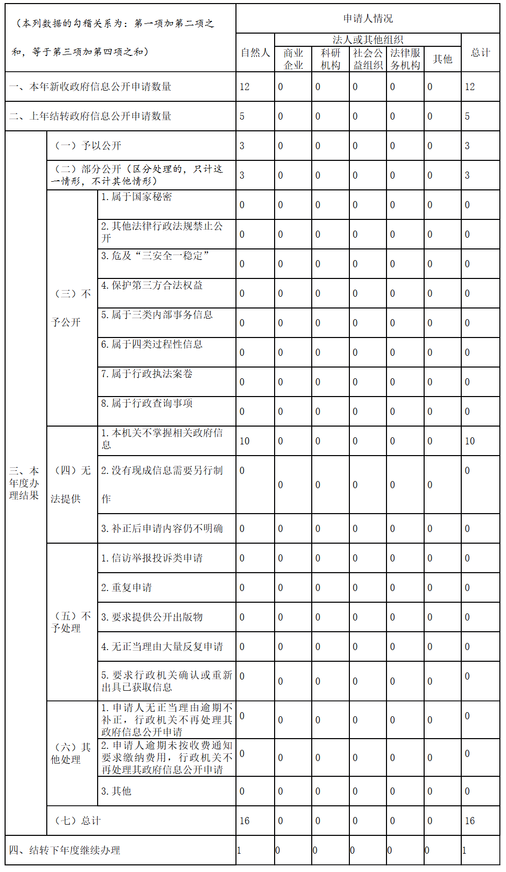
(三)规范依申请公开,保障公民权利
严格执行《条例》规定,规范受理、审查、办理、答复、归档等各环节流程,确保依申请公开工作依法依规、高效便民。全年共收到政府信息公开申请12件,加上年结转5件,总计处理17件。已办结16件,结转下年度继续办理1件。申请内容主要集中在农村宅基地管理等方面,均按规定程序认真办理。
(四)强化信息管理,促进规范有序
建立健全政府信息制作、获取、保存、发布全流程管理制度。严格执行信息公开保密审查制度,坚持“先审查、后公开”原则,全年未发生泄密事件。确保公开信息合法、准确、安全。
(五)优化平台建设,夯实公开基础
持续加强局属新媒体平台内容建设和日常管理,2025年通过微信公众号(大兴三农)发布信息1277条、微博公众号(大兴三农)发布224条。不断提升信息发布的及时性、准确性。
(六)开展教育培训,提升能力水平
重点针对各科室信息公开联络员进行《条例》及政府信息公开相关规章制度的业务指导,提升其政策把握能力和业务素质水平。
(七)完善监督保障,确保工作落实
明确各科室责任,加强对信息公开工作的监督检查。对外公开监督渠道,主动接受社会评议与群众监督,对发现的问题及时督促整改,推动政务公开工作持续改进、提质增效。
二、主动公开政府信息情况

三、收到和处理政府信息公开申请情况

四、政府信息公开行政复议、行政诉讼情况

五、存在的主要问题及改进情况
本年度工作中存在以下主要问题:一是主动公开的精准度与时效性仍有提升空间。部分信息公开与群众切身利益结合不够紧密,如涉农补贴资金发放结果等关键信息,在公开的及时性上尚需优化。二是依申请公开的跨科室协同与答复质量需持续提升。面对内容复杂或涉及多科室的申请,内部沟通协调效率不足,信息整合不够顺畅,一定程度上影响了答复的全面性和精准性。
针对上述问题,本年度我实施了以下改进措施:一是提升主动公开的针对性。围绕群众关切的高频事项,优化涉农补贴政策专栏,补充申请指南。并推动关键节点信息在审核后及时公开,建议镇级部门同步公开补贴结果信息,增强公开的时效性和实用性。二是优化依申请公开内部流程。 修订完善跨科室申请办理机制,明确牵头科室职责和协办时限,强化信息整合与答复审核,确保在法定期限内作出更准确、更完整的答复。
六、其他需要报告的事项
我单位本年度发出收费通知的件数和总金额以及实际收取的总金额均为0。